特點
★通訊方式多樣
★采樣頻率高,響應速度快
★采用電阻應變式原理,精度高
★經過高低溫補償,溫度特性好
★外形尺寸小,厚度薄,扭轉剛度大,抗過載能力強
技術參數
| 量程 |
20N.m,50N.m,100N.m |
材質 |
鋁合金 |
| 非線性 |
0.2% F.S. |
通訊 |
UARTTTL3.3v電 平
232-TTL |
| 使用電壓力 |
12V-24VDC |
輸出靈敏度 |
1.5±0.1mV/V |
| 防護等級 |
IP64 |
溫度補償范圍 |
- 10 ~ 40 ºC |
| 滯后 |
0.2% F.S. |
工作溫度 范圍 |
- 20 ~ 80 ºC |
| 重復性 |
0.2% F.S. |
絕緣電阻 |
≥5000MΩ/100V(DC) |
| 輸入阻抗 |
750 ± 50 Ω |
輸出阻抗 |
700 ± 5 Ω |
| 蠕變 (30分鐘) |
0.2% F.S. |
溫度靈敏度漂移 |
0.2% F.S. / 10ºC |
| 零點輸出 |
± 0.05% F.S. |
零點溫度漂移 |
0.2% F.S. / 10ºC |
| 安全超載 |
150% |
極限超載 |
200% |
| 電纜線尺寸 |
∅2x1m |
使用壽命 |
滿量程100萬次以上 |
| 電纜線連接方式 |
Ex + : 紅 Ex - : 黑
Sig + : 綠 Sig - : 白 |
|
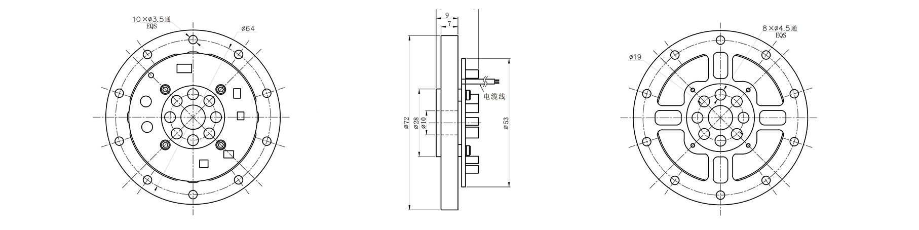
產品構圖


XJCSENSOR鑫精誠傳感器是一家擁有60多項專利,以自主研發、生產、銷售、服務為一體的國家 高新技術企業。
我們專注于微型壓力、稱重、多軸力、扭力、智能等傳感器與控制儀表,應 用于自動化設備、精密醫療、新能源鋰電、機器人、半導體、航空鐵路、高校等領域合作。
詳情咨詢 :+86(0755) 2788 7290 / 2788 7263